- Арматура сцепная
- Арматура поддерживающая
- Арматура натяжная
- Арматура соединительная
- Арматура контактная
- Арматура защитная
- Спиральная арматура
- Подстанционная арматура
- Изоляторы опорные
- Подвесные изоляторы
- Штыревые и опорные линейные изоляторы
- Арматура контактной сети
- Проходные изоляторы
- Шинные опоры
- Распорки межфазные изолирующие
- Изолирующие подвески линейные
- Птицезащитные изоляторы
- Птицезащитные устройства
- Изоляторы для контактной сети ЖД
- Литье черных металлов
- Монтажный инструмент
- Твердая силиконовая резина для изоляторов
- Грозозащитный трос
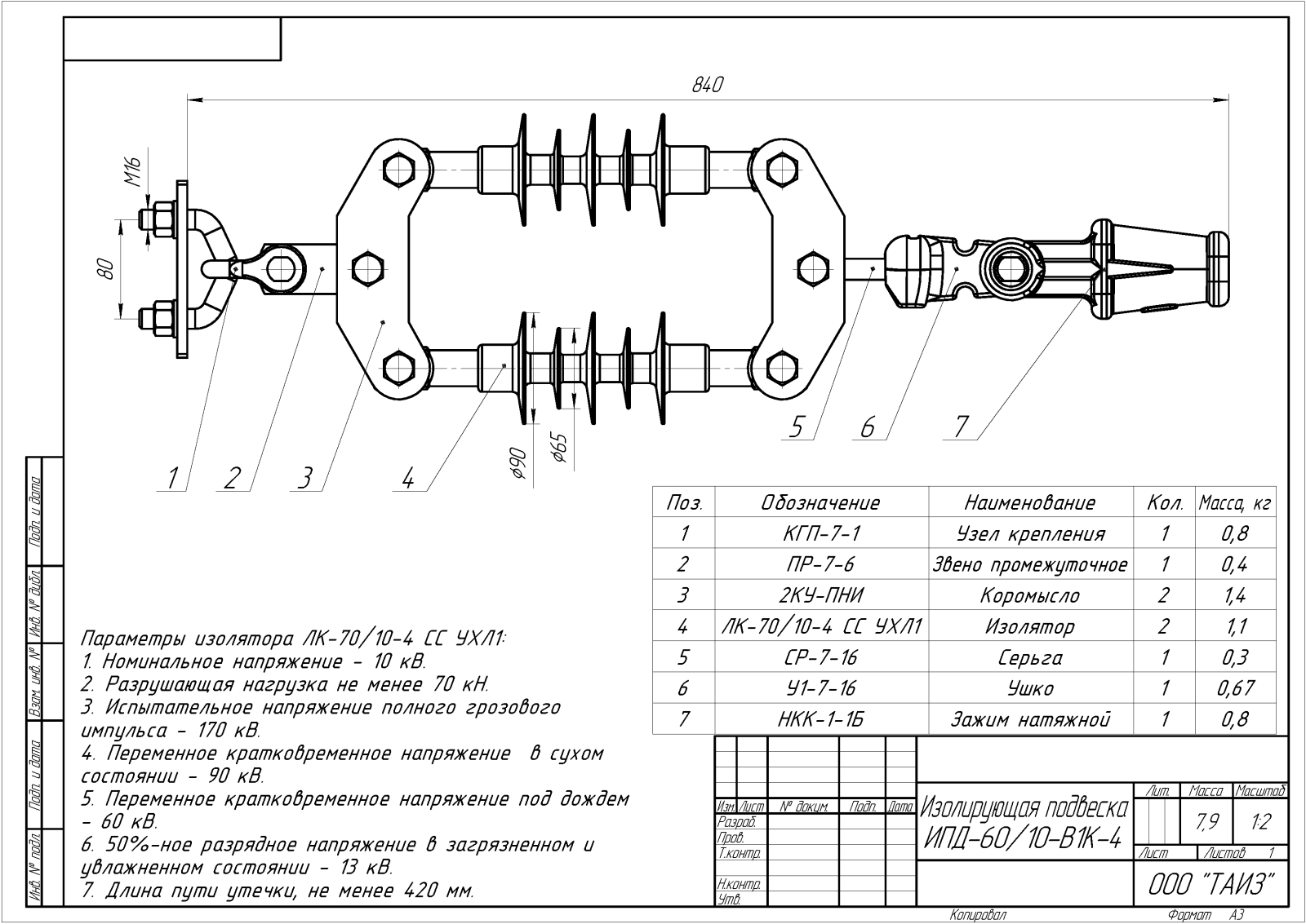
ИПД-60/10-В1К-4
Назначение
Изолирующие подвески — это конструктивные элементы воздушных линий электропередачи, которые обеспечивают крепление и изоляцию проводов от опор и других элементов линии. Они играют ключевую роль в обеспечении надёжной работы высоковольтных линий, предотвращая электрические пробои и механические повреждения
Условное обозначение подвесок:
ИП – изолирующая подвеска одноцепная;
ИПД – изолирующая подвеска двухцепная с общим креплением цепей к опоре;
ИПРД – изолирующая подвеска двухцепная с раздельным креплением цепей к опоре;
25, 30, 60, 90 – значение нормированной силы при растяжении в кН;
10, 20, 35 – номинальное напряжение в кВ;
А, Б, В – модификации исполнения по типу присоединения к опоре:
А – гнездо сферического соединения
Б – скоба цепного соединения
В, В1, В2, В3 – узел крепления с болтовым закреплением на опоре 2хМ16 (В1 и В3) и 2хМ20 (В2) на расстоянии 80мм и 4хМ16 (В) по вершинам прямоугольника 41х85мм;
К, З, Б, П – вторая буква модификации исполнения по типу присоединения провода к подвеске:
К – натяжной клиновой зажим для проводов 5,6-9,6 мм;
З – натяжной заклинивающийся зажим для проводов 11-17 мм;
Б1 – натяжной болтовой зажим для проводов 11-16 мм;
Б2– натяжной болтовой зажим для проводов 15-22 мм;
П1 – поддерживающий глухой зажим для проводов 6-12 мм;
П2 – поддерживающий глухой зажим для проводов 12-19,6 мм;
Пс – поддерживающий глухой зажим для проводов СИП сечением 50-150 мм2;
2, 3, 4 – степень загрязнения.
Как купить нашу продукцию?
Заказ можно оформить, заполнив форму или заказав обратный звонок на нашем сайте. Наши менеджеры свяжутся с Вами для обсуждения всех вопросов и подтверждения заказа.
Более подробную информацию о нашей продукции Вы можете получить по бесплатному номеру: 8 800 222-16-36
WhatsApp консультант: +7 903 845-79-47




managers@taiz.ru