- Арматура сцепная
- Арматура поддерживающая
- Арматура натяжная
- Арматура соединительная
- Арматура контактная
- Арматура защитная
- Спиральная арматура
- Подстанционная арматура
- Изоляторы опорные
- Подвесные изоляторы
- Штыревые и опорные линейные изоляторы
- Арматура контактной сети
- Твердая силиконовая резина для изоляторов
- Проходные изоляторы
- Шинные опоры
- Распорки межфазные изолирующие
- Изолирующие подвески линейные
- Птицезащитные изоляторы
- Птицезащитные устройства
- Изоляторы для контактной сети ЖД
- Литье черных металлов
- Монтажный инструмент
- Грозозащитный трос
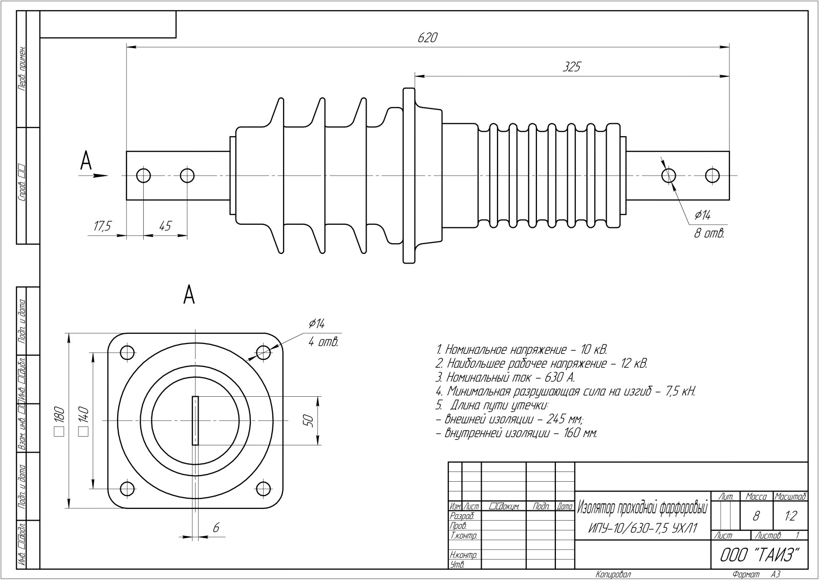
Изолятор проходной фарфоровый ИПУ-10/630-7,5 УХЛ1
Назначение
Изоляторы проходные фарфоровые ИПУ-10/630-7,5 УХЛ1 (квадратный фланец) предназначены для проведения, соединения и изоляции токоведущих частей закрытых распределительных устройств электростанций и подстанций, комплектных распределительных устройств с открытыми распределительными устройствами или линиями электропередачи, а также для закрытых токопроводов переменного тока напряжением 6 - 35 кВ. частотой 50 Гц, расположенных в районах с I— IV степенью загрязнения по ГОСТ 9920.
Климатическое исполнение изоляторов У и УХЛ по ГОСТ 15150, категория размещения:
- для изоляторов наружно-внутренней установки: наружного конца — 1, внутреннего конца — 2;
- для изоляторов, предназначенных для работы в помещениях — 2, 3.
Как купить нашу продукцию?
Заказ можно оформить, заполнив форму или заказав обратный звонок на нашем сайте. Наши менеджеры свяжутся с Вами для обсуждения всех вопросов и подтверждения заказа.
Более подробную информацию о нашей продукции Вы можете получить по бесплатному номеру: 8 800 222-16-36
WhatsApp консультант: +7 903 845-79-47




managers@taiz.ru