- Арматура сцепная
- Арматура поддерживающая
- Арматура натяжная
- Арматура соединительная
- Арматура контактная
- Арматура защитная
- Спиральная арматура
- Подстанционная арматура
- Изоляторы опорные
- Подвесные изоляторы
- Штыревые и опорные линейные изоляторы
- Арматура контактной сети
- Твердая силиконовая резина для изоляторов
- Проходные изоляторы
- Шинные опоры
- Распорки межфазные изолирующие
- Изолирующие подвески линейные
- Птицезащитные изоляторы
- Птицезащитные устройства
- Изоляторы для контактной сети ЖД
- Литье черных металлов
- Монтажный инструмент
- Грозозащитный трос
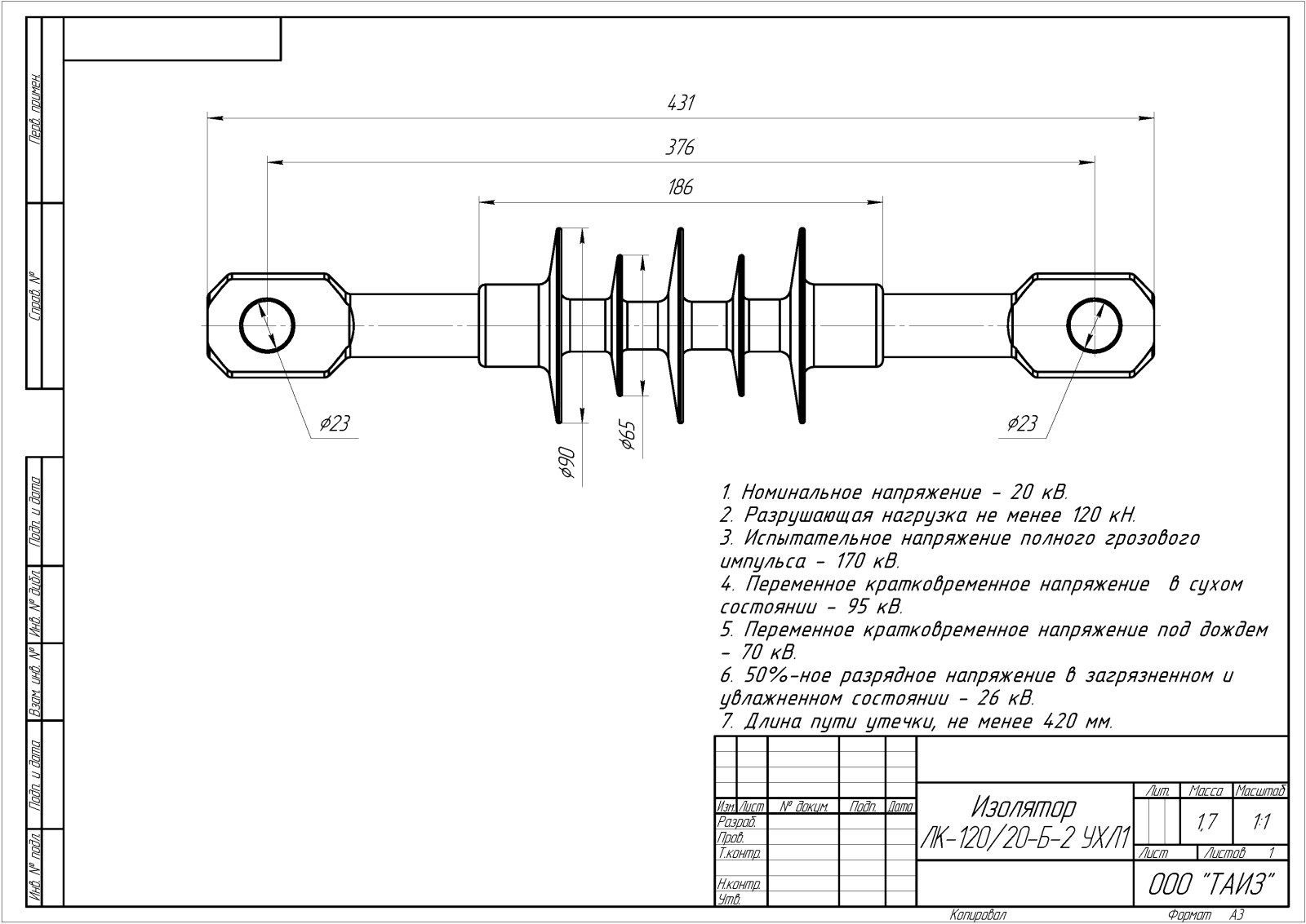
Подвесной изолятор ЛК 120/20-Б-2 УХЛ1
Назначение
УСЛОВНЫЕ ОБОЗНАЧЕНИЯ
ЛК - марка линейных подвесных изоляторов;
120 - минимальная разрушающая сила при растяжении, кН;
20 - номинальное напряжение, кВ;
Б - индекс модификации изолятора;
2 - степень загрязнения по ГОСТ 9920;
УХЛ1 - климатическое исполнение и категория размещения по ГОСТ 15150.
Изоляторы ЛК предназначены для изоляции и крепления проводов воздушных линий электропередачи и в распределительных устройствах электростанций и подстанций переменного тока. Изоляторы изготавливаются в соответствии с ГОСТ 28856-90 "Изоляторы линейные подвесные стержневые полимерные. Общие технические условия" и ТУ 3494-002-69952820-2009 "Изоляторы линейные подвесные стержневые полимерные типа ЛК".
Срок эксплуатации - 40 лет. Гарантийный срок - 3 года.
Для данных изоляторов характерна высокая стойкость к воздействию атмосферных и промышленных загрязнений, кислот и щелочей, ультрафиолетовому облучению, трекингу, электрической эрозии. Крепление оконцевателя изолятора со стеклопластиковым стержнем осуществляется путем радиального обжатия в многокулачковой машине.
Такое соединение обладает повышенными механическими характеристиками по сравнению с другими видами соединений. Встроенный в машину ультразвуковой датчик позволяет обнаруживать возникновение разрушения оконцевателя и появление трещин в стержне в процессе обжатия, что исключает дефекты уже на стадии производства.
Конструкция изолятора обеспечивает высокую влагостойкость, благодаря применению следующих конструктивных и технологических решений:
-вулканизации защитной оболочки на изолирующем стержне с заранее обжатыми оконцевателями;
-обливки оконцевателей с применением на них влагозащитных замков;
КОНСТРУКТИВНЫЕ ОСОБЕННОСТИ ИЗОЛЯТОРА ОБЪЕМ ПРИЕМОСДАТОЧНЫХ ИСПЫТАНИЙ
Комплектность;
Осмотр (внешний вид и маркировка);
Масса, длина изоляционной части, присоединительные размеры, соответствие, расположения арматуры;
Качество и толщина антикоррозионного покрытия арматуры;
Испытательная сила на растяжение в течение 1 мин.;
Испытательное переменное кратковременное напряжение в сухом состоянии;
Разрушающая механическая сила при растяжении;
Определение уровня частичных разрядов;
Стойкость к проникновению воды;
Стойкость к проникновению красящей жидкости;
Адгезия оболочки к изоляционному телу;
ГОСТ 28856-90, ТУ 3494-002-69952820-2009.
Как купить нашу продукцию?
Заказ можно оформить, заполнив форму или заказав обратный звонок на нашем сайте. Наши менеджеры свяжутся с Вами для обсуждения всех вопросов и подтверждения заказа.
Более подробную информацию о нашей продукции Вы можете получить по бесплатному номеру: 8 800 222-16-36
WhatsApp консультант: +7 903 845-79-47




managers@taiz.ru