Главная » Продукция » Арматура контактная » Зажимы ответвительные » Зажимы разъемные ответвительные типа РОА » Зажим разъемный ответвительный РОА-300-1М-2
- Арматура сцепная
- Арматура поддерживающая
- Арматура натяжная
- Арматура соединительная
- Арматура контактная
- Арматура защитная
- Спиральная арматура
- Подстанционная арматура
- Изоляторы опорные
- Подвесные изоляторы
- Штыревые и опорные линейные изоляторы
- Арматура контактной сети
- Проходные изоляторы
- Шинные опоры
- Распорки межфазные изолирующие
- Изолирующие подвески линейные
- Птицезащитные изоляторы
- Птицезащитные устройства
- Изоляторы для контактной сети ЖД
- Литье черных металлов
- Монтажный инструмент
- Твердая силиконовая резина для изоляторов
- Грозозащитный трос
Зажим разъемный ответвительный РОА-300-1М-2
Назначение
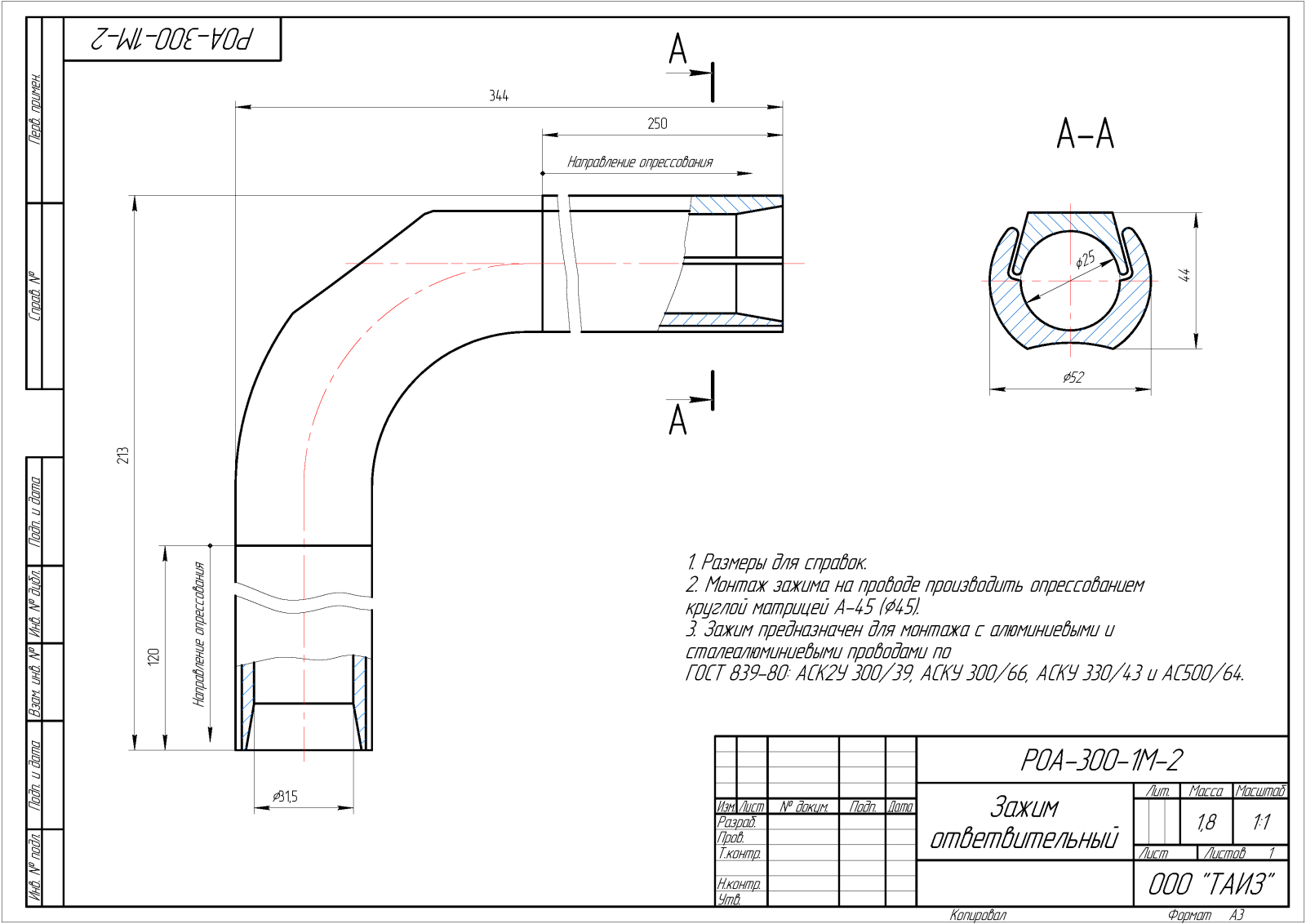
Зажим разъемный ответвительный РОА-300-1М-2 предназначен для ответвления от магистрального привода без его разрезания, а также для ответвления от системы на подстанциях со смонтированной ошиновкой.
Заказать
| Обозначение | Интервал диаметров проводов по ГОСТ 839-80, мм |
Матрица опрессования | Размеры, мм | Масса, кг | |||||
| B | D | d | L | I | I1 | ||||
| РОА-300-1М-2 | 21,5-30,6 | АШ-43,3 или А-45 |
44 | 52 | 25 | 344 | 250 | 120 | 1,8 |
Как купить нашу продукцию?
Заказ можно оформить, заполнив форму или заказав обратный звонок на нашем сайте. Наши менеджеры свяжутся с Вами для обсуждения всех вопросов и подтверждения заказа.
Более подробную информацию о нашей продукции Вы можете получить по бесплатному номеру: 8 800 222-16-36
WhatsApp консультант: +7 903 845-79-47




managers@taiz.ru